DX-4A/4型信號繼電器主要用途及開孔尺寸-上海上繼科技有限公司
發表時間:2019-10-20 17:09 瀏覽次數:695 〖返回〗一、DX-4A/4型信號繼電器主要用途
信號繼電器具有動作快、工作穩定、使用壽命長、體積小等優點。廣泛應用于電力保護、自動化、運動、遙控、測量和通信等裝置中。

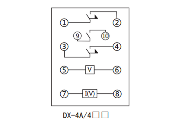
二、DX-4A/4型信號繼電器技術參數及接線圖
●工作繞組額定值:DC 6V、12V、24V、48V、110V、220V、0.0lA、0.015A、0.02A、0.025A、0.03A、0.04A、 0.05A、 0.075A、0.08A、0.1A、0.15A、0.2A、0.25A、0.5A、0.75A、lA、2A、4A、0.06A。
●復歸繞組額定值:6V、12V、24V、48V、110V、220V。
●動作值:動作電壓不大于70%額定值;動作電流不大于90%額定值。
●復歸電壓:不大于70%。
●返回值:不小于2%額定值。
●功率消耗:電壓型不大于2W;電流型不大于0.2W。
●觸點容量:保持觸點在220V,電流不超過lA的直流有感電路中(時間常數為5±0.75ms),分斷容量為50W,瞬時觸點為30W,在220V電流不超過lA的交流電路中分斷容量為200VA。

三、DX-4A/4型信號繼電器型號含義

公司介紹:上海上繼科技有限公司是一家專業從事電力系統繼電保護及智能電網電力自動化產品的研發、設計、生產、銷售和服務為一體的高科技公司。擁有資深繼電保護專家團隊和國內**的檢測儀器及校驗設備。同時還引用國內外先進技術,來進行技術創新。本公司的產品廣泛用于電力、工礦、鐵路、建筑等國家重大工程輸配變電系統上,產品遠銷東南亞及中東地區。產品通過國家繼電保護及自動化設備質量監督檢驗中心檢測,獲得ISO9001國際質量體系認證?!翱萍紕撔?,誠信務實”是公司的經營理念,本公司以高超的技術支持和對用戶高度負責的售后服務贏得了輸配電成套企業的信賴,且樹立了良好的信譽。
上海上繼科技有限公司(專注電力保護繼電器生產廠家)銷售熱線:021-57233089 QQ:1932551438
{以上內容僅供參考,上海上繼科技有限公司有最終解釋權}
更多繼電器精彩文章——JZ-Y-220靜態中間繼電器主要用途及技術條件





