JPB-A數字式頻率繼電器的技術參數及開孔尺寸-上海上繼科技有限公司
發表時間:2020-05-09 15:37 瀏覽次數:965 〖返回〗
一、JPB-A數字式頻率繼電器的概述
JPB-A數字式頻率繼電器主要用于電網或者發電機周率變化超過允許值時,發出切機或切除部分設備, 或部分用戶的頻率敏感元件, 確保發電機組的安全。
二、JPB-A數字式頻率繼電器的原理
1、繼電器型號分類及含義

2、工作原理
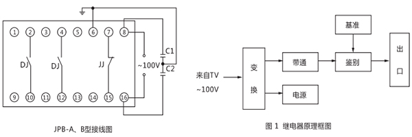
本繼電器采用數字分頻原理來確定基準頻率,用以鑒別被測頻率的數值。具有頻率穩定度高、精度高、整定方便直觀等優點。
三、JPB-A數字式頻率繼電器的技術參數
1、額定電壓100V,額定頻率50Hz。
2、頻率整定值誤差不大于±0.015Hz。
3、整定范圍: JPB-A45-49.5Hz, JPB-B50.5-55Hz,最小整定級差0.0125Hz。
4、返回系數不大于1.02 ,返回時l間不大于60ms。
5、輸入工作電壓(60-120)V。
6、延時動作時間整定范圍為80ms-99.99s,延時級差10ms。
7、防止誤動措施:設有滑差閉鎖電路整定范圍3-50Hz/S;設有低壓閉鎖電路55V以下進行閉鎖;設有中央報警信號觸點。
四、JPB-A數字式頻率繼電器的接線圖

五、JPB-A數字式頻率繼電器的開孔尺寸
JPB采用JK-2殼體,如下圖所示

上海上繼科技有限公司(專注電力保護繼電器生產廠家)銷售熱線:021-57233089 QQ:1932551438
{以上內容僅供參考,上海上繼科技有限公司有最終解釋權}
更多繼電器精彩文章——DY-4負序電壓繼電器





