JGL-16-II過流繼電器-上海上繼科技有限公司
發表時間:2020-05-04 22:49 瀏覽次數:1121 〖返回〗
一、JGL-16-II過流繼電器整定和使用方法
本繼電器用四組數定撥盤開關來進行過流動作整定值、速斷倍數、過流延時、速斷延時的整定(整定開關白字為整數部分,紅字為小數部分)。
1、過流動作整定值繼電器面板上左邊裝有一組過流整定值開關,由三個數字撥盤開關組成,自左至右分別為十位數、個位數、小數第一位數,數字開關值置100,則過流整定值為10.0A。
2、速斷電流整定值繼電器面板上第三組開關為速斷倍數,有二個數字開關,自左到右,分別為十位數和個位數,整定數即為速斷倍數,速斷的電流整定值=過流整定值×速斷倍數,例如:過流整定值為2.0A,速斷倍數為02,則速斷的電流整定值為2.0A×2=4A。
3、過流延時的整定
3.1定時限延時整定:首先把過流延時開關打在定時限這一邊。繼電器面板上第三組開關為過流延時開關,由四組數字開關組成,整定級差為0.01s,開關的四位數字中間有一個小數點,小數點左邊分別為個位和十位,小數點右邊為百分之一秒和十分之一秒,例如:過流延時T=150ms.將四位數字開關調整為0015即可。過流延時整定開關在投入運行時不能小于0.05s,更不能置“0”,以免誤動。
3.2過流反時限延時時間整定:首先把過流延時開關打在反時限這一邊。

反時限特性曲線如圖2所示:
注:反時限特性曲線的選取,只能接表2規定的上下限之間選擇。本繼電器反時限延時通過過流延時開關可調整10倍動作電流時的動作時間,例如:取10倍動作電流下時動作時間為0.5s,將過流延時的四位數字開關調整為00.50即可,如取10倍動作電流下延時4s,將過流延時的四位數字開關調整為04.00即可。(反時限延時也可以通過過流延時開關調整為2倍動作電流時的動作時間,具體由用戶定貨時提出,出廠時一般以10倍為準。)
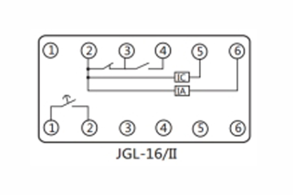
二、JGL-16-II過流繼電器內部端子外引接線圖

三、JGL-16-II過流繼電器主要技術條件
1、額定值:50HZ交流5A,波形畸變不超過2%。
2、過流整定范圍:2-10A,級差為0.1A。電流整定誤差不大于±3%。
3、速斷倍數整定范圍:2-9.9倍,級差為0.1倍。電流速斷整定誤差不大于±4%。4、速動動作時間:繼電器任一整定值上在1.2倍速動電流時動作時間不大于50ms。
5、返回系數:不小于0.85。
6、功率消耗:在額定電流時功率消耗不大于8VA。
7、觸點接通容量:在直流電壓不超過250V時,該產品觸點能連續接通電流為10A。
8、觸點斷開容量:在電壓不超過250V的感性負荷中,該產品觸點能分斷容量為50W。
9、介質強度:在標準試驗條件下,各導電部分連在一起對外露非帶電金屬部分及外殼之間應能承受交流有效值2000V/50HZ的試驗電壓,歷時1min無絕緣擊穿或閃絡現象。
10、絕緣電阻:在標準試驗條件下,繼電器各導電部分對外飛帶電金屬部分及外殼之間,用開路電壓為500V的測試儀測其絕緣阻值應不小于20MΩ。
公司介紹:上海上繼科技有限公司是一家專業從事電力系統繼電保護及智能電網電力自動化產品的研發、設計、生產、銷售和服務為一體的高科技公司。擁有資深繼電保護專家團隊和國內**的檢測儀器及校驗設備。同時還引用國內外先進技術,來進行技術創新。本公司的產品廣泛用于電力、工礦、鐵路、建筑等國家重大工程輸配變電系統上,產品遠銷東南亞及中東地區。產品通過國家繼電保護及自動化設備質量監督檢驗中心檢測,獲得ISO9001國際質量體系認證。“科技創新,誠信務實”是公司的經營理念,本公司以高超的技術支持和對用戶高度負責的售后服務贏得了輸配電成套企業的信賴,且樹立了良好的信譽。
公司主營:繼電器(時間繼電器,電壓繼電器,電流繼電器,中間繼電器,信號繼電器,閃光繼電器,沖擊繼電器,同步檢查繼電器,接地繼電器,差動繼電器,重合閘繼電器,絕緣監視繼電器,雙位置繼電器,模數化繼電器),智能操控裝置,微機保護裝置,電力儀表
上海上繼科技有限公司(專注電力保護繼電器生產廠家)銷售熱線:021-57233089 QQ:1932551438
{以上內容僅供參考,上海上繼科技有限公司有最終解釋權}
更多繼電器精彩文章——JL-A/35DK電流繼電器主要用途及產品圖片
- 上一篇:JGL-15-II過流繼電器
- 下一篇:JGL-81-II過流繼電器





