DLS-31A雙位置繼電器-上海上繼科技有限公司
發表時間:2020-02-12 13:03 瀏覽次數:845 〖返回〗
一、DLS-31A雙位置繼電器應用范圍
DLS-31A雙位置繼電器用于各種保護裝置中,以實現機械閉鎖,并有位置指示。
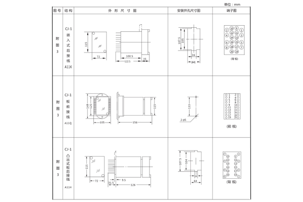
二、DLS-31A雙位置繼電器接線圖

三、DLS-31A雙位置繼電器開孔尺寸

四、DLS-31A雙位置繼電器使用條件
1.使用地點周圍環境溫度為-25~40°C;
2.使用地點的大氣壓力為80~106kPa(海拔高度為2km及以下)
3.使用地點周圍空氣相對濕度不大于90% ( 25°C) ;
4.安裝位置偏高其安裝垂直面的任一方向不大于5°;
5.輸入激勵量的變化范圍為100% ~ 110%額定値;
6.使用地點不允許有較強的振動與沖擊 ;
7.使用地點不得有爆炸危險的介質,周圍介質中不應含有腐蝕金屬和破壞絕緣的氣體及導電介質,不允許充滿蒸氣及有較嚴重的霉菌。
8.使用地點應具有防御雨、雪、風、沙的設施;
9.使用地點不允許有較強的外磁感應強度。
五、DLS-31A雙位置繼電器工作原理
1.結構
產品由兩個相互聯接的電磁機構、互鎖滑塊機構、位置指示器及觸點系統組成。每個電磁機構由磁軛、線圈及銜鐵組成,互鎖滑塊機構由兩個滑塊及拉簧組成。
2.工作原理
電磁機構的原理同一般的拍合式繼電器,當其中一個電磁機構被激勵時,其電磁線圈產生電磁力矩,吸合銜鐵,銜鐵
帯動互鎖滑塊機構,當去掉激勵量時,由于互鎖機構的作用,使得銜鐵保持在一個位置上,同時,銜鐵帶動了觸點系統,使得觸點也保持在一個位置上。當另一個電磁機構被激勵時,使得銜鐵和觸點系統保持在另一個位置上。而兩個電磁機構不能同時施加激勵量。
當銜鐵動作時,帯動了位置指示器,指示出產品所處的位置。綠牌表示跳閘位置,紅牌表示合閘位置。
公司介紹:上海上繼科技有限公司是一家專業從事電力系統繼電保護及智能電網電力自動化產品的研發、設計、生產、銷售和服務為一體的高科技公司。擁有資深繼電保護專家團隊和國內**的檢測儀器及校驗設備。同時還引用國內外先進技術,來進行技術創新。本公司的產品廣泛用于電力、工礦、鐵路、建筑等國家重大工程輸配變電系統上,產品遠銷東南亞及中東地區。產品通過國家繼電保護及自動化設備質量監督檢驗中心檢測,獲得ISO9001國際質量體系認證。“科技創新,誠信務實”是公司的經營理念,本公司以高超的技術支持和對用戶高度負責的售后服務贏得了輸配電成套企業的信賴,且樹立了良好的信譽。
公司主營:繼電器(時間繼電器,電壓繼電器,電流繼電器,中間繼電器,信號繼電器,閃光繼電器,沖擊繼電器,同步檢查繼電器,接地繼電器,差動繼電器,重合閘繼電器,絕緣監視繼電器,雙位置繼電器,模數化繼電器),微機保護裝置,電力儀表,智能操控裝置
上海上繼科技有限公司(專注電力保護繼電器生產廠家)銷售熱線:021-57233089 QQ:1932551438
{以上內容僅供參考,上海上繼科技有限公司有最終解釋權}
更多繼電器精彩文章——JWL-23繼電器接線圖及技術要求
- 上一篇:DLS-31A繼電器
- 下一篇:DLS-32A繼電器





