電流繼電器與差動繼電器特點及性能參數-上海上繼科技有限公司
發表時間:2019-08-19 15:05 瀏覽次數:969 〖返回〗
上海上繼科技有限公司是一家專業從事電力系統繼電保護及智能電網電力自動化產品的研發、設計、生產、銷售和服務為一體的高科技公司。擁有資深繼電保護專家團隊和國內**的檢測儀器及校驗設備。同時還引用國內外先進技術,來進行技術創新。本公司的產品廣泛用于電力、工礦、鐵路、建筑等國家重大工程輸配變電系統上,產品遠銷東南亞及中東地區。產品通過國家繼電保護及自動化設備質量監督檢驗中心檢測,獲得ISO-9001:2000國際質量體系認證。“科技創新,誠信務實”是公司的經營理念,本公司以高超的技術支持和對用戶高度負責的售后服務贏得了輸配電成套企業的信賴,且樹立了良好的信譽。

一、JL-33電流繼電器簡介
電流繼電器是電力系統繼電保護中最常用的元件。電流繼電器具有接線簡單、動作迅速可靠、維護方便、使用壽命長等優點,作為保護元件廣泛應用于電動機、變壓器和輸電線路的過載和短路的繼電保護線路中。電流繼電器的檢測對象是電路或主要電器部件電流的變化情況,當電流超過(或低于)某一整定值時,繼電器動作,完成繼電器控制及保護作用。
二、JL-33電流繼電器接線圖

三、JL-33電流繼電器技術數據
1、功率消耗
a、交流回路功耗:小于0.5VA(交流額定值5A時)
b、直流回路功耗:見表2
2、整定誤差
a、在整定值范圍內,整定平均誤差的絕對值不大于3% ;平均誤差=( 5次測量平均信一整定值)整定值x100%。
b、在基準條件下,同一整定值上測量的5次動作值的**信和最小值應不大于4%。
c、在一10°C~50°C的溫度下,任一整定點誤差的絕對信應不大于整定值的5%。
d、在輔助電壓80~ 110%變化范圍內, 任一整定值整定誤差的絕對值應不大于4%。
3、動作時間
1. 1倍整定信的動作時間不大于30 m s ; 2信整定值的動作時間不大于20 m s。
4、返回系數: 0.90~0.95。
5、返回時間:不大于27ms。
四、JL-33電流繼電器原理
電磁式繼電器一般由鐵芯、線圈、銜鐵、觸點簧片等組成的。只要在線圈兩端加上一定的電壓,線圈中就會流過一定的電流,從而產生電磁效應,銜鐵就會在電磁力吸引的作用下克服返回彈簧的拉力吸向鐵芯,從而帶動銜鐵的動觸點與靜觸點(常開觸點)吸合。當線圈斷電后,電磁的吸力也隨之消失,銜鐵就會在彈簧的反作用力返回原來的位置,使動觸點與原來的靜觸點(常閉觸點)吸合。這樣吸合、釋放,從而達到了在電路中的導通、切斷的目的。對于繼電器的“常開、常閉”觸點,可以這樣來區分:繼電器線圈未通電時處于斷開狀態的靜觸點,稱為“常開觸點”;處于接通狀態的靜觸點稱為“常閉觸點”。

BCH-1差動繼電器具有一個制動繞組,能對兩繞組及三繞組電力變壓器進行單相差動保護。
一、BCH-1差動繼電器的參數
1.額定定電流5A,額定頻率50Hz。
2 無制動時繼電器的起始動作安匝AWo=60±4。
3.當用于保護三繞組電力變壓器時,其動作電流可在3A至12A的范圍內進行整定(AWo=60) ,對于動作的最小整定值,其**平衡系數接近于2 。
當用于保護兩繞組電力變壓器時,其動作電流可以在1.55A至12A的范圍內進行整定。
4.由動作電流與制動電流的比值所決定的制動系數Kz可以在廣泛的范圍內變化,圖3的制動特性AWp=f(AWz)是其極限范圍,它與工作電流濟口制動電流間的相位角有關,但無論在任何角下都不應越出曲線的范圍。

5.可靠系數(當一次動作電流等于5IDz的繼電器正弦動作電流與當一次動作電流等于5IDZ的正弦動作電流的比值)不小于1.35。
6. 3倍動作電流時差動繼電器的動作時間不大于0.035s。
7.繼電器具有一個動合觸點,在電感性負荷的直流電路中, (其時間常數不大于5x10's) ,且電壓不大于220V,電流不大于2A時,觸點的斷開容量50W。
8.在正常工作狀態下當電流為5A且變流器的制動繞組平衡繞組在全部匝數投入的情況下繼電器的單相功率消耗不大于8.5VA。
9.變流器的工作、平衡和制動繞組可長期通過電流10A。
10.介質強度 繼電器的電路對外露非帶電金屬部分之間應能耐受2kV, 50Hz的交流電壓歷時1min而無擊穿或閃絡現象。
11.繼電器的繞組數據如表1所示。

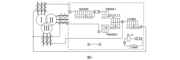
二、BCH-1差動繼電器接線圖

三、BCH-1差動繼電器開孔尺寸

上海上繼科技有限公司(專注電力保護裝置生產廠家)銷售熱線:021-57233089 QQ:1932551438
(以上內容僅供參考,上海上繼科技有限公司有最終解釋權)
更多繼電器精彩文章→JZ-S/425靜態可調延時中間繼電器型號含義及特點





