閃光繼電器與雙位置繼電器區別和應用-上海上繼科技有限公司
發表時間:2019-07-29 14:12 瀏覽次數:1437 〖返回〗
DX-1閃光繼電器用于信號回路。當工作線圈電源接通后,觸點可周期性的接通和斷開,使受控的燈光信號發出閃光。
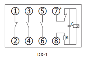
一、DX-1閃光繼電器的接線圖

二、DX-1閃光繼電器的開孔尺寸

三、DX-1閃光繼電器的參數
●額定值:DC 220V、110V、48V。
●觸點形式:2組動合、1組動斷。
●閃光頻率:每分鐘60±20次。
●動作值:不大于70%額定值。
●功率消耗:不大于3W。
●觸點容量:在電壓不超過250V,電流不超過5A,時間常數為5±0.75ms的直流有感負荷電路中,產品輸出觸點的斷開容量為 50W。輸出觸點在上述規定的負荷條件下,產品能可靠動作及返回5×104次。輸出觸點長期允許接通電流為5A。
●介質強度:產品各導電端子連在一起,對外露的非帶電金屬部分或外殼之間,能承受2000V(有效值)50Hz的交流電壓,歷時1分鐘 試驗,而無絕緣擊穿或閃絡現象。

DLS-11B雙位置繼電器(以下簡稱繼電器)用于直流操作的各種保護和自動控制線路中,以實現機械閉鎖。
一、DLS-11B雙位置繼電器的參數
1.額定電壓:跳閘線圈DC220V、110V、48V。
2.額定電流:跳閘線圈1A、2A、4A、6A;合閘線圈0.5A、1A、2A、4A。
3.動作值:動作電壓不大于70%額定電壓;動作電流不大于額定電流。
4.功率消耗:不大于12W。
5 介質強度
產品各導電電路連在一起對外露的非帶電金屬零件或外殼之間 ,以及線圈電路對觸點電路之間,應能承受2?(有效值) , 50Hz的交流試驗電壓歷時1min的試驗,而無絕緣擊穿或閃絡現象。
6.觸點性能
產品觸點應能斷開電壓不超過250V,電流不超過1A ,容量為50W的直流有感負荷電路(時間常數為5±75ms) ,或電壓不超過250V,電流不超過3A,容量為250VA的交流電路(功率因數為0.4±0.1)5000次。
二、DLS-11B雙位置繼電器的開孔尺寸

三、DLS-11B雙位置繼電器的接線圖

公司介紹:上海上繼科技有限公司是一家專業從事電力系統繼電保護及智能電網電力自動化產品的研發、設計、生產、銷售和服務為一體的高科技公司。擁有資深繼電保護專家團隊和國內**的檢測儀器及校驗設備。同時還引用國內外先進技術,來進行技術創新。本公司的產品廣泛用于電力、工礦、鐵路、建筑等國家重大工程輸配變電系統上,產品遠銷東南亞及中東地區。產品通過國家繼電保護及自動化設備質量監督檢驗中心檢測,獲得ISO-9001:2000國際質量體系認證。“科技創新,誠信務實”是公司的經營理念,本公司以高超的技術支持和對用戶高度負責的售后服務贏得了輸配電成套企業的信賴,且樹立了良好的信譽。
上海上繼科技有限公司(專注電力保護繼電器生產廠家)銷售熱線:021-57233089 QQ:1932551438
{以上內容僅供參考,上海上繼科技有限公司有最終解釋權}
更多繼電器精彩文章——JY-12A電壓繼電器原理及開孔尺寸
- 上一篇:閃光繼電器與接地繼電器區別和應用
- 下一篇:閃光繼電器與差動繼電器區別和應用





