閃光繼電器廠家簡介-上海上繼科技有限公司
發表時間:2019-07-11 17:15 瀏覽次數:900 〖返回〗
上海上繼科技有限公司是一家專業從事電力系統繼電保護及智能電網電力自動化產品的研發、設計、生產、銷售和服務為一體的高科技公司。擁有資深繼電保護專家團隊和國內**的檢測儀器及校驗設備。同時還引用國內外先進技術,來進行技術創新。本公司的產品廣泛用于電力、工礦、鐵路、建筑等國家重大工程輸配變電系統上,產品遠銷東南亞及中東地區。產品通過國家繼電保護及自動化設備質量監督檢驗中心檢測,獲得ISO-9001:2000國際質量體系認證?!翱萍紕撔?,誠信務實”是公司的經營理念,本公司以高超的技術支持和對用戶高度負責的售后服務贏得了輸配電成套企業的信賴,且樹立了良好的信譽。

DX-3閃光繼電器用作信號指示之用,當被保護系統發生故障時,主保護繼電器動作時,通過閃光繼電器的接點控制各種燈光信號。
一、DX-3閃光繼電器的參數
●額定值:DC 220V、110V、48V;AC 220V、110V。
●閃光頻率:每分鐘40~80次。
●動作值:不大于70%額定值。
●觸點容量:在電壓不超過250V,電流不超過5A,時間常數為5±0.75ms的直流有感負荷電路中,產品輸出觸點的斷開容量為50W。輸出觸點在上述規定的負荷條件下,產品能可靠動作及返回5×104次。輸出觸點長期允許接通電流為5A。
●介質強度:產品各導電端子連在一起,對外露的非帶電金屬部分或外殼之間,能承受2000V(有效值)50Hz的交流電壓,歷時1分鐘試驗,而無絕緣擊穿或閃絡現象。
二、DX-3閃光繼電器的接線圖

三、DX-3閃光繼電器的開孔尺寸


JX-4B閃光繼電器用于信號回路。電源接通后,可以使受控的燈光發出閃光信號。
一、JX-4B閃光繼電器的參數
·額定電壓:直流220V、110V、48V、24V;交流220V, 50HZ. ·動作值:不大于60%額定電壓;最小動作電流8mA。
·閃光頻率: 1±0. 1次/分鐘、60+5次/分鐘、120±10次/分鐘。 ·負裁能力:**負裁電流2A。
·功率消耗:不大于1W。
·介質強度:帯電端子對外売耐壓2000V。
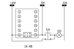
二、JX-4B閃光繼電器的接線圖

三、JX-4B閃光繼電器的開孔尺寸
JX-4B采用JK-1殼體,如圖所示

上海上繼科技有限公司(專注電力保護繼電器生產廠家)銷售熱線:021-57233089 QQ:1932551438
{以上內容僅供參考,上海上繼科技有限公司有最終解釋權}
更多繼電器精彩文章——JX-A/1信號繼電器特點及參數
- 上一篇:閃光繼電器廠家
- 下一篇:單相液晶交流電壓電流組合表生產廠家介紹





